- Mehr zum
Produkt: - Details
- Zusatzinformation
- Beschlagfarben
- Technische Informationen
- Montageanleitung
- Hersteller
DORMA Schiebetürbeschlag-Set für Decken-Schlitzmontage - MUTO Comfort L 80 Pocket;
mitSoftStop, für eine doppelflügelige Schiebetür mit linkem und rechtem Festteil, auch für asymmetrische Aufteilung
- zur Montage in einem Durchgangsbereich
Kein sichtbares Profil an der Decke, da dieses in einem Deckenschlitz einzulassen ist.
- für mind. 660 mm Schiebetürbreite (Flügelbreite)
- Fixlänge 6.000 mm - nach Ihrer Angabe
- inkl. aller notwendiger Profile für die Deckenmontage / Verblendung
- 4 Klemm-Laufwagen für 8 bis 13,5 mm Glasdicke, incl. Aushebeschutz
- 4 Endanschläge inkl. Fangvorrichtung
- 2 Bodenführungen
- inkl. Sichtschutzbürsten
- inkl. Dormotion-Einheiten (SoftStop)
- Abmessungen des Glases: minimal 660 mm
- ebenfalls bei Verwendung der DORMOTION-Funktion (SoftStop)
- maximales zulässiges Gesamtgewicht 80 kg
- geeignet für 8 bis 13,5 mm Glasdicke (ESG und VSG)
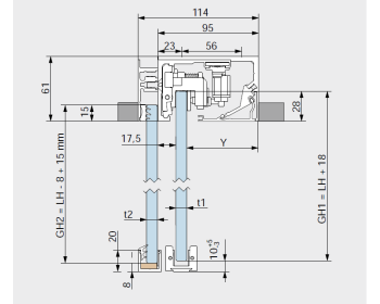
- Einstand des Glases in der Laufschiene / Decke 28 mm
- Luftabzug zum Boden 10 mm (+4 mm/-2 mm)
- Laufschiene 114 mm tief / 61 mm hoch
- empfohlener seitlicher Überstand des Glases je Glasseite mind. 30 mm
- 4 mm Mittelluft zwischen beiden Schiebeflügeln im geschlossenen Zustand empfohlen
- Berechnung der empfohlenen Höhe des Glases effektiv:
Lichte Höhe vom Fertigfußboden bis Unterkante der Decke
+18 mm (Öffnung Höhe +28 mm Glaseinstand im Profil - 10 mm Bodenluft
Glasberechnung per m²: Glasdicke x 2,5 kg/m²
wichtiger Montagehinweis:
Bei Verbau als Deckenschlitzlösung innerhalb einer Trockenbauwand,
darf die Befestigung der Verkleidung (z.B. Gipskartonplatte) NICHT am MUTO Schienenprofil erfolgen.
Durch eine Befestigung am Profil könnte eine Beschädigung der verbauten Schiebetürtechnik hervorgerufen werden.
Bei Einbau einer Holzschiebetür (28 - 50 mm) benötigen Sie ein Adapterprofil, welches in die Laufwagen eingespannt und mit dem Holz verschraubt wird.
| Hersteller | Dorma |
|---|
Darstellung von DORMA GLAS Beschlagfarben

Bitte beachten Sie, das die Ansicht der Farben am PC oder mobilen Endgeräten etwas zum Original abweichen kann.
Weitere Farben, welche standardmäßig nicht für alle Artikel zur Verfügung stehen (z.B. alte Farbgeneration) sind über LM Sondereloxaltöne SE oder Sonderfarben SF auf Anfrage möglich:

Technische Informationen:
Montageanleitungen
Über DORMA
DORMA-Glas ist eine der ersten Anlaufstellen in Sachen Türtechnik und wird in Verbindung mit Zuverlässigkeit und Qualitätsware aus Deutschland und der Schweiz gebracht.
Auch wenn DORMA-Glas nicht mehr zur dormakaba-Gruppe gehört, so ist diese dennoch eng verbunden und kooperieren miteinander.

